рефераты
Главная

Рефераты по рекламе

Рефераты по философии

Рефераты по финансам

Рефераты по химии

Рефераты по цифровым устройствам

Рефераты по экологическому праву

Рефераты по экономико-математическому моделированию

Рефераты по экономической географии

Рефераты по экономической теории

Рефераты по этике

Рефераты по юриспруденции

Рефераты по языковедению

Рефераты по юридическим наукам

Рефераты по истории

Рефераты по компьютерным наукам

Рефераты по медицинским наукам

Рефераты по финансовым наукам

Рефераты по управленческим наукам

Рефераты по строительным наукам

Психология педагогика

Промышленность производство

Биология и химия

Языкознание филология

Издательское дело и полиграфия

Рефераты по краеведению и этнографии

Рефераты по религии и мифологии

Рефераты по медицине

Рефераты по сексологии

Рефераты по москвоведению

Рефераты по экологии

Краткое содержание произведений

Рефераты по физкультуре и спорту

Топики по английскому языку

Рефераты по математике

Рефераты по музыке

Остальные рефераты

Курсовая работа: Уровнемеры для жидкостей и сыпучих тел

Курсовая работа: Уровнемеры для жидкостей и сыпучих тел

Введение

Уровнемеры – это специальные устройства, которые используются для определения уровня жидкостей, порошков и других материалов или сырья в определенных резервуарах, в которых они хранятся, или в рабочей среде.

Уровнемеры еще называют датчиками (сигнализаторами) уровня или же преобразователями уровня. Однако, главное различие уровнемера и сигнализатора уровня – способность измерять общие градации полного уровня, в отличие от сигнализатора уровня, которые меряет только граничные отметки.

Уровнемеры – абсолютно необходимые приборы в современной промышленности и технике.

В данной курсовой работе нами будут рассмотрены основные виды уровнемеров, а так же будут выделены уровнемеры, используемые на АЗС и используемые на карьерах для песка и гравия.

На сегодняшний день уровнемеров существует огромное множество, с различными функциями, для различных материалов, уровень которых необходимо измерять и контролировать. И самое существенное отличие разных уровнемеров – это технологии и принципы их работы, от которых также зависит применение приборов, качество их работы, стоимость и доступность.


Виды уровнемеров

Визуальные – являются наиболее простым видом измерителей уровня. Их работа основана на принципе сообщающихся сосудов, а за уровнем жидкости следят напрямую через водомерное стекло.

Механические уровнемеры – в которых отсчет уровня происходит: либо по оценке положения предмета на поверхности жидкости относительно двух точек измерений – это поплавковые уровнемеры; либо по оценке уровня жидкости, вытесненной при погружении предмета (закон Архимеда – FA = ρgV, где ρ – плотность жидкости (газа), g – ускорение свободного падения, а V – объём погружённого тела) – буйковые уровнемеры.

Гидростатические уровнемеры – принцип действия основан на уравновешивании давления столба измеряемой жидкости и столба жидкости, которая заполняет измерительный прибор на каком-либо производстве.

Электрические уровнемеры промышленной специализации делятся на емкостные и омические.

Акустические уровнемеры – принцип действия основан на измерении времени отражения звуковых колебаний от поверхности раздела газ – контролируемая среда. Разновидностью акустических уровнемеров являются ультразвуковые уровнемеры.

Наиболее современным является радарный уровнемер. Принцип действия его основан на измерении времени переотражения от поверхности раздела газ – контролируемая среда высокочастотных радиоволн. Последний тип уровнемера позволяет производить измерение уровня, как жидкостей, так и сыпучих тел. При этом его можно использовать и при измерении уровня агрессивных сред, например кислот, расплавленной серы, аммиака и т.д.

По принципу действия эти уровнемеры разделяются на визуальные, поплавковые, гидростатические, электрические, ультразвуковые, радиоизотопные.

Визуальные уровнемеры (рис. 1) – простейшие измерители уровня жидкости. К технол. аппарату 1 через запорные вентили 2 подсоединено ука-зательное стекло (трубка 3). Аппарат и трубка представляют собой сообщающиеся сосуды, поэтому уровень H жидкости в трубке всегда равен ее уровню в аппарате и отсчитывается по шкале.

Поплавковые уровнемеры. Чувствиельный элемент – поплавок, находящийся на поверхности жидкости (рис. 2, а). Поплавок 1 уравновешивается грузом 3, который связан с поплавком гибким тросом 2. Уровень жидкости определяется положением груза относительно шкалы 4. Пределы измерений устанавливают в соответствии с принятыми значениями верхнего и нижнего уровней.

Значительно надежнее тонущие поплавки – массивные буйки (рис. 2, б). При изменении уровня жидкости по закону Архимеда изменяется действующая на конец рычага 2 выталкивающая сила (вес буйка 1). Соотв. изменяющийся момент сил, действующих на рычаг 2, от буйка передается через вал 5, закрепленный в донышке 7, на трубку 6 и уравновешивается моментом ее скручивания. Изменение угла скручивания трубки пропорционально величине уровня.


Рисунок 2. – Поплавковые уровнемеры: а – с плавающим поплавком; б – с тонущим поплавком

Гидростатические уровнемеры. Их действие основано на уравновешивании давления столба жидкости p в аппарате (хранилище) давлением столба жидкости, заполняющей измерит, прибор, или пружинным механизмом (р = Hr, где r = const – плотность жидкости). При достаточно больших значениях уровня Я и в отсутствие избыточного давления над жидкостью в качестве У. можно применять манометр с трубчатой пружиной, устанавливаемый на отметке т. наз. нулевого уровня (рис. 3).


 

Рисунок 4. – Дифманометрические уровнемеры: измерение уровня в открытом резервуаре (а) и аппарате, работающем под давлением (б)

Дифманометрические уровнемеры позволяют измерять уровень в открытых (атм. давление) или закрытых (давление либо разрежение) резервуарах (рис. 4). Относительно постоянный уровень жидкости в одном из колен измерит, прибора (дифманометра), а следовательно, и в контролируемом аппарате обеспечивается уравнительным сосудом (наполнен до определенного уровня той же жидкостью, что и в аппарате). Высота столба жидкости в др. колене дифманометра изменяется с изменением уровня в аппарате. Каждому значению уровня в нем отвечает некоторый перепад давления, обусловленный расстоянием по высоте между аппаратом и прибором. Если аппарат работает при атм. давлении, уравнительный сосуд размещают на отметке нулевого уровня (рис. 4, а), если под давлением – на высоте макс. уровня (рис. 4, б).

Пьезометрические уровнемеры (рис. 5) основаны на принципе гидравлического затвора (обычно водяного). Для измерения уровня используют воздух или инертный газ, который под давлением р продувают через слой жидкости (рх – давление над ней). Кол-во воздуха ограничивают диафрагмой 1 или регулирующими вентилями 2 так, чтобы скорость движения его в трубопроводе была минимальна (с целью уменьшения потерь на трение). Для контроля расхода воздуха устанавливают спец. стаканчики 3 или ротаметры. Уровень жидкости H=(р-рx)/pж, где рж – плотность замыкающей жидкости в дифманометре. Перепад давления (р-рх) определяется по высоте столба жидкости h в манометре. В случае измерения уровня агрессивных жидкостей необходимо подводить воздух в обе линии, подсоединяемые к дифманометру. Пьезометрические приборы широко применяются для измерения уровня жидкости в подземных резервуарах.

Электрические уровнемеры. (рис. 6) В них измеряемые значения уровня жидкости преобразуются в соответствующие электрические сигналы. Наиболее распространены емкостные и омические приборы.

Емкостные уровнемеры. (рис. 6а) Вместе со стенками сосуда 1 электрод 2 образует чувствительный элемент – цилиндрический конденсатор, электрическая емкость которого изменяется пропорционально уровню жидкости. Емкость измеряется электронным блоком 3, сигнал из которого поступает в блок 4, представляющий собой релейный элемент (в схемах сигнализации достижения определенного уровня) или указывающий прибор (в схемах измеренного уровня).

Омические (кондуктометрические) уровнемеры (рис. 6б) основаны на измерении сопротивления при замыкании электрической цепи, образованной электромагнитным реле 1, электродом 2 и контролируемой средой (уровень У) электропроводностью от 2·10~3 См.

5010-1.jpg5010-2.jpg

Рисунок 6. – Электрические уровнемеры: а – емкостный; б – омический

Рисунок 7. – Ультразвуковой уровнемер: 1, 2 – генераторы, соотв., управляющий и импульсов; 3 – пьезоэлектрический излучатель; 4 – усилитель импульсов; 5 – измеритель времени; 6 – вторичный прибор.

Ультразвуковые уровнемеры (рис. 7). В них используется явление отражения ультразвуковых колебаний (импульсов) от плоскости раздела жидкость-газ (обычно воздух). Время между моментом посылки первичного импульса и моментом возвращения отраженного импульса является функцией высоты измеряемого уровня. Эти приборы позволяют измерять уровень без контакта с контролируемой средой в труднодоступных местах.

Радиоизотопные уровнемеры основаны на сравнении интенсивностей потоков a- или b-излучения, проходящих выше либо ниже уровня раздела двух сред разной плотности. Применение этих приборов целесообразно в случае невозможности использовать иные уровнемеры.

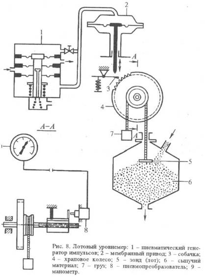
Уровнемеры для сыпучих материалов, уровнемеры для сыпучих тел имеют свои особенности. Характерным отличием сыпучих материалов от жидкостей является непропорциональность передачи давления на дно и стенки емкости в зависимости от уровня в ней контролируемого вещества. Простейшие уровнемеры для сыпучих материалов выполняются с чувствительными элементами, соприкасающимися с поверхностью вещества. Изменение уровня дистанционно передается на вторичный измерительный прибор.

Наиболее, распространены лотовые уровнемеры (рис. 8). В них зонд (лот) 5 и груз 7 подвешены на блоке храпового колеса 4. Зонд периодически приподнимается с помощью управляемого пневматическим генератором импульсов пневматического мембранного привода 2 (воздействующего на колесо через собачку 3) и опускается на поверхность сыпучего материала 6 под действием силы тяжести. Если уровень не изменяется, зонд поднимается и опускается на одно и то же расстояние. При понижении уровня материала зонд опускается на большее расстояние, чем поднимается, и наоборот. У. должен работать так, чтобы при изменении уровня в заданных пределах давление сжатого воздуха на выходе прибора изменялось от 20 до 100 кПа. С выхода пневмопреобразователя 8 воздух подается на вторичный прибор. Лотовые У. позволяют измерять уровень до 20 м. В меньшей степени для определения уровня сыпучих материалов применяют также поплавковые, массовые, электрические (емкостные) и радиоизотопные уровнемеры.


Немецкая компания ACS-CONTROL-SYSTEM предлагает решения для измерения и контроля состояния жидкости, газа и сыпучих материалов, определения и ограничения уровня жидкости и сыпучих, расхода, давления и температуры. Фирма производит датчики температуры и давления, измерительные преобразователи, уровнемеры, зонды и многое другое. В этом разделе представлены гидростатические, ультразвуковые и радарные уровнемеры, кондуктивные зонды, а также вибрационные и флажковые ограничители уровня жидкости и сыпучих материалов.

Гидростатические датчики уровня измеряют давление жидкости и преобразуют его в значение уровня, поскольку гидростатическое давление зависит от уровня и плотности жидкости, но не зависит от формы и объема резервуара. Они представляют собой дифференциальные датчики давления, к которым подается давление среды и для сравнения второй вход соединяется с атмосферой или с областью избыточного давления в случае емкости под давлением. Гидростатические уровнемеры применяются для однородных жидкостей в резервуарах без существенного движения жидкости и могут использоваться для вязких жидкостей, суспензий и паст.

Конструктивно гидростатические датчики бывают двух типов: мембранные и погружные. В первом случае тензорезистивный или емкостной датчик непосредственно соединен с мембраной и весь прибор находится в нижней части резервуара, при этом расположение мембраны датчика соответствует минимальному уровню. В случае погружного датчика мембрана находится в жидкости и передает давление на тензорезистивный сенсор через столб воздуха запаянный в подводящей трубке. Гидростатические уровнемеры обеспечивают высокую точность при невысокой стоимости и простоте конструкции.

Ультразвуковые уровнемеры зондируют рабочую зону волнами ультразвука, т.е. волнами давления с частотой свыше 20 кГц. Конструктивно такой уровнемер состоит из излучателя и приемника колебаний, выполненных на кварцевой пластине, на которой измеряется напряжение отражённого сигнала. Ультразвуковой датчик устанавливается в верхней части резервуара. При этом сигнал проходит через воздух и отражается от от границы с твердой (жидкой) средой. Уровнемер в этом случае называется акустическим.

Скорость распространения ультразвука зависит от температуры, поэтому применяется термокомпенсация с помощью встроенного термодатчика. Рабочий диапазон достигает 25 м при погрешности измерения в 1%. Ультразвуковые уровнемеры могут использоваться для агрессивных сред и для сред с самыми различными физическими свойствами, за исключением сильнопарящих, сильнопенящихся жидкостей и мелкодисперсных и пористых гранулированных сыпучих продуктов.

Радарные уровнемеры – это наиболее высокотехнологичные средства измерения уровня. Для зондирования рабочей зоны и определения расстояния до объекта используется электромагнитное излучение СВЧ диапазона. В непрерывных уровнемерах идёт как излучение частотно модулированного сигнала, так и одновременно прием отраженного сигнала с помощью одной и той же антенны. На выходе получается смешаный сигнал, который анализируется с применением специального ПО. Импульсные микроволновые уровнемеры излучают сигнал с паузами, в которых прием происходит отраженного сигнала. Прибор вычисляет время прохождения прямого и обратного сигналов и определяет значение расстояния до поверхности.

Радарные уровнемеры не имеют непосредственного контакта с контролируемой средой, они могут применяться для агрессивных, вязких, неоднородных жидких и сыпучих материалов. От ультразвуковых бесконтактных уровнемеров их отличает меньшая чувствительность к температуре и давлению, а также устойчивость к запыленности, испарению, пенообразованию. Радарные уровнемеры обеспечивают высокую точность, что позволяет использовать их в системах коммерческого учета, они позволяют производить измерения уровня сред с низкой диэлектрической проницаемостью и, следовательно, слабой отражательной способностью. Они удобны в емкостях, где присутствует различное оборудование, сокращающее свободную зону для работы радара.

Чем больше размер антенны, тем более сильный и узконаправленный сигнал она излучает и, в тоже время, тем лучше прием отраженного сигнала. Рупорная антенна применяется в больших емкостях, позволяет работать с широким спектром сред по диэлектрической проницаемости, применима в сложных условиях и обеспечивает диапазон измерения до 35…40 м. Стержневая антенна применяется в небольших емкостях с химически агрессивными средами или гигиеническими продуктами, а также в случае, когда доступ в емкость ограничен малыми размерами патрубка. Диапазон измерения – до 20 м. Поверхность стержневой антенны покрыта слоем защитной изоляции. Трубчатая антенна представляет собой удлиненный волновод. Она позволяет формировать наиболее сильный сигнал за счет снижения рассеивания и используется в особо сложных случаях при наличии сильного волнения поверхности среды или большого слоя густой пены либо для случая сред с низкой диэлектрической проницаемостью.

Кондуктивные зонды работают на электропроводящих жидкостях. При погружении зонда в жидкую среду обнаруживается электрическое сопротивление продукта, между электродами протекает малый переменный ток, который измеряется встроенной электроникой, и это измерение преобразуется в команду переключения выходного реле. Сигнал переключения определяется монтажным положением или длиной электрода. Благодаря простоте обслуживания и надежности эксплуатации кондуктивные зонды могут применяться для защиты от переполнения и сухого хода, а также для управления насосами в любых отраслях промышленности.

OPTISOUND 3000

Ультразвуковой уровнемер для жидкостей и сыпучих продуктов

Ультразвуковые уровнемеры OPTISOUND 3010 C, 3020 C и 3030 C особенно подходят для измерения уровня жидких продуктов, однако они одинаково хорошо работают и на сыпучих продуктах. Эти приборы отличаются по диапазонам измерения, версиями датчика и имеют разные технологические присоединения.

Благодаря разным адаптированным излучаемым частотам, возможно измерение уровня в пределах от 0,25 до 15 метров. Химически стойкие материалы изготовления датчиков и технологических присоединений позволяют применять приборы и на коррозионных продуктах (в зависимости от модели). Удобная монтажная скоба (опция) позволяет без труда установить прибор OPTISOUND 3020 C в нужном положении.

Измерение уровня в процессе производства и хранения жидких продуктов

Отстойные резервуары, резервуары для воды и сточных вод

Бесконтактное измерение расхода в открытых каналах

Диапазон применения охватывает измерение жидких и сыпучих продуктов практически во всех отраслях промышленности, в особенности для отрасли водопользования, водоснабжения и очистки сточных вод.

Ультразвуковые уровнемеры OPTISOUND 3030 C, 3040 C и 3050 C особенно подходят для измерения уровня сыпучих продуктов, однако они одинаково хорошо работают и на жидкостях. Эти приборы отличаются по диапазонам измерения, версиями датчика и имеют разные технологические присоединения. Измерение уровня в процессе производства и хранения жидких продуктов.

Благодаря разным адаптированным излучаемым частотам возможно измерение уровня в пределах от 0,6 м до 45 м.

Химически стойкие материалы изготовления датчиков и технологических присоединений позволяют применять приборы и на коррозионных продуктах (в зависимости от модели).

Измерение уровня в процессе производства и хранения сыпучих продуктов

Измерение уровня сыпучих продуктов в емкостях хранения и воронкообразных бункерах

Измерение уровня в камнедробилках

Измерение расхода на ленточных транспортерах

Диапазон применения охватывает жидкости и сыпучие продукты практически всех областей индустрии.


Уровнемеры Colibri (Incon) система контроля для АЗС

уровнемер жидкость сырье

Новая система контроля Colibri предназначена для владельцев заправочных станций, которым нужна понятная, простая в работе и надежная система управления топливными запасами. Colibri следит за уровнем и плотностью топлива, обеспечивая бесперебойность, надежность, безопасность и эффективность Вашей АЗС. С Colibri Вы получите точную информацию о количестве и качестве топливных запасов в любую минуту, т. к. у Вас на службе самая продуктивная и экономичная система мониторинга из существующих сегодня – Colibri фирмы Franklin Fueling Systems/Incon.

Colibri представляет собой контрольно-измерительную консоль, получающую данные о составе и количестве топлива от датчиков, установленных внутри резервуаров. Сама консоль находится внутри здания заправочной станции. Она показывает необходимую информацию о топливе и резервуарах:

– уровень, температуру и плотность / массу продукта

– объем продукта нетто и брутто

– уровень и объем подтоварной воды

– контроль герметичности резервуаров

Такая система как Colibri экономит время и устраняет вероятность ошибок, вызванных человеческим фактором, позволяя Вам дистанционно контролировать и вести учет топливных запасов. С системой Colibri Вы можете быть уверены, что информация будет доставлена Вам в любое время и в любое место.

Преимущества:

Современный дизайн

Цветной ЖК дисплей с сенсорным экраном

Компактный размер (30 х 18×5,75 см)

Возможность установки в любом месте

Отчеты

Web интерфейс

Удаленный доступ

Не требуется дополнительного ПО

Особенности:

Русский язык

Простой и понятный интерфейс

Оповещения об аварийном состоянии и отчеты по электронной почте

Создание «правил» для контроля запасов

Защита от несанкционированного слива топлива

Обзор данных дистанционно или локально

Мониторинг данных из любой точки используя ПК, ноутбук или смартфон

Многоуровневый доступ, защита от несанкционированного доступа к данным

Авторизованный персонал может дистанционно изменять параметры и осуществлять сверку данных

Автокалибровка резервуара / Согласование запасов

Возможность подключения по протоколу IFSF (порт Ethernet)

Обнаружение утечек

Гид по обучению, установке и эксплуатации доступен в режиме online.

Спецификация и возможности:

Стандартный порт Ethernet и Web интерфейс;

Визуальные индикаторы «тревога», «предупреждение» и «питание»

Внешняя звуковая сигнализация аварийного состояния

Два выходных реле (поддержка периферийных аварийных сигнальных устройств)

Два USB разъема (подключение внешнего принтера или модема)

Один RS-232 порт (кассовый терминал или модем)

Совместимость со всеми моделями мерных зондов компании Franklin Fuelin Systems.

Установив автоматическую систему мониторинга резервуаров, мы сэкономим денежные и временные ресурсы, повышая рентабельность нашей станции

Colibri – самая низкозатратная и одновременно мощная система из существующих сегодня

Компания Franklin Fueling Systems является лидирующим глобальным поставщиком систем топливного управления в дополнение к широкой линейке других качественных продуктов для топливной индустрии.

Уровнемер ПМП-118-А108

Назначение и область применения

Уровнемер ПМП-118-А108 предназначен для измерения параметров жидкой среды в резервуаре: уровня, температуры, объема, массы, и сигнализации достижения контрольных уровней.

Уровнемер может применяться в резервуарах хранения и транспортирования жидких сред, имеющих плотность не менее 500 кг/м3 (пропан-бутан, углекислоты), моторного топлива, жидких пищевых продуктов и других жидкостей.

Уровнемер может применяться во взрывоопасных зонах в соответствии с маркировкой 1ExdIIBT3, IP66, в климатических зонах, соответствующих исполнению УТ и М по ГОСТ 15150 при температуре окружающей среды от минус 50 до +60 С, на объектах, поднадзорных Российскому Морскому Регистру Судоходства.

Конструкция

Уровнемер ПМП-118–108 состоит из преобразователя уровня ПМП-118-А108 и сигнализатора МС-К-500-БП-ВЗ. В направляющей 6 преобразователя находится печатная плата, на которой установлены магнитоуправляемые контакты (герконы) 4, резисторы и термодатчик 7. Поплавок 5, находящийся на поверхности жидкости, свободно перемещается по направляющей 6 между ограничителями хода 3 и 9, и своим магнитом, расположенным в верхней части поплавка, вызывает замыкание герконов, образуя средний вывод делителя напряжения, сигнал которого пропорционален уровню жидкости. Питание уровнемера осуществляется от литиевого элемента Cr123 (3В), находящегося в корпусе сигнализатора. Преобразователь уровня может крепиться как сверху резервуара (обычное исполнение), и так и снизу (исполнение «… – INV»).

Принцип действия

Сигналы уровня и температуры поступают на сигнализатор, имеющий 4-х разрядный светодиодный индикатор, отображающий измеренные параметры. Управление работой уровнемера осуществляется кнопкой 10. Уровнемер постоянно находится в режиме ожидания – индикатор не горит. Кратковременное нажатие на кнопку включает сигнализатор, при этом на индикаторе вначале появится символ параметра, затем его числовое значение. Сигнализатор показывает%-ное заполнение объема резервуара, уровень, объем, температуру и массу жидкости. Смена параметра осуществляется нажатиями на кнопку. Возврат в режим ожидания произойдет автоматически, через 5 сек после последнего отжатия кнопки. Режим сигнализации предельных уровней наполнения включается нажатием кнопки (~1 сек) до появления индикации «SiG». Отключение режима – нажатием кнопки (~1 сек) до появления индикации «OFF». В целях экономии элемента питания предусмотрено автоматическое отключение режима сигнализации через 1 час, а при достижении контрольного уровня через 5 мин. Характер сигнализации: В режиме ожидания периодически загораются «точки» индикатора. При достижении контрольного уровня индикатор показывает%-ное заполнение в режиме «тревоги» (частое мигание). Сброс «тревоги» – нажатием на кнопку. Сигнализатор позволяет корректировать начальную плотность жидкости, удалять и вводить параметры из меню просмотра, изменять уровни сигнализации и менять градуировочные характеристики резервуара.


Технические параметры

Максимальная длина направляющей (высота измерения уровня), мм 6000

Погрешность измерения уровня, мм      ±5

Маркировка взрывозащиты 1ExdllBT3

Степень защиты от внешних воздействий       IP66

Диапазон температур окружающей среды среды, град. С         -50…+60

Диапазон температур измеряемой среды, град. С   -50…+80 (125)

Диапазон температур, измеряемый встроенным термодатчиком, град. С-50…+99

Погрешность измерения температуры, град. С       ±0,5 (-20…99); ±2 (-50… – 20)

Срок замены литиевого элемента питания      3 года

Максимальное давление среды, МПа: по умолчанию / по заказу       2,5/4

Вычисление плотности жидкости исходя из измеренной температуры имеется

Вычисление объема жидкости в резервуаре   имеется

Вычисление массы жидкости в резервуаре     имеется

Вычисление массы жидкой фазы СУГ (пропан-бутан) в резервуаре имеется

Вычисление массы паровой фазы СУГ (пропан-бутан) в резервуаре новая версия

Вычисление относительного заполнения резервуара (%) имеется

Автоматический расчет градуировочнои таблицы для резервуаров с линейной характеристикой «объем – высота»       имеется

Автоматический расчет градуировочнои таблицы для горизонтальных цилиндрических резервуаров с плоскими днищами         имеется

Автоматический расчет градуировочнои таблицы для горизонтальных цилиндрических резервуаров с эллиптическими днищами        имеется

Выдача световых сигналов при достижении 3-х критических уровней (нижнего, верхнего, верхнего аварийного) имеется

Возможность исполнения в 2-х оболочках (для демонтажа преобразователя без разгерметизации резервуара. Исполнение ПМП – … – W)       имеется

Комплектация поплавком из вспененного эбонита  основной вариант

Комплектация поплавком из коррозионностойкой стали 12Х18Н10Т        по заказу

Комплектация поплавком из фторопласта      по заказу

Возможность футеровки трубы преобразователя фторопластом       по заказу

Срок службы      15 лет

Уровнемер ПМП-118-А108

Преобразователи уровня, температуры, плотности, давления взрывозащищенные, 1ExdIIBT3 / 0ExiaIIBT6

Уровнемер «Струна-М» – это автоматизация измерений параметров светлых нефтепродуктов при приеме, хранении и оперативном контроле резервуарного парка АЗС и нефтебаз. Уровнемер «Струна-М» предназначен для измерения уровня, температуры, плотности, вычисления объёма и массы светлых нефтепродуктов, сигнализации наличия подтоварной воды, повышения уровня пожарной и экологической безопасности, автоматизации процессов учета нефтепродуктов на АЗС стационарного и контейнерного типа. Уровнемер «Струна-М» зарегистрирована в Государственном реестре средств измерений (сертификат Госстандарта РФ), имеет взрывозащиту «Искробезопасная электрическая цепь» (разрешение Госгортехнадзора РФ). Устройство измерения уровня и плотности защищено патентами РФ.

Устройство измерения уровня и плотности защищено патентами РФ.

Уровнемер «Струна-М» состоит из:

Первичного преобразователя параметров (ППП) с датчиками уровня, температуры, плотности и подтоварной воды. Выполнен во взрывобезопасном исполнении с маркировкой «OExiaIIBT5» в комплекте «Струна-М» и устанавливается в резервуарах;

Блока вычислительного (БВ), устанавливаемого в помещении и имеющего маркировку взрывозащиты «ExiaIIB» в комплекте «Струна-М». Предназначен для сбора, предварительного преобразования и обработки информации параметров резервуаров (до 16), подготовки информации к представлению в единицах измерения и связи с внешними системами.

Размеры вычислительного блока 245х160х120 мм;

Специализированного блок питания (БП), устанавливаемого в помещении и имеющего маркировку «ExiaIIB» в комплекте «Струна-М». Размеры специализированного блока питания 274х235х102 мм;

Блока индикации (БИ), настольного исполнения, устанавливаемого в помещении и предназначенного для представления информации о параметрах нефтепродуктов в резервуарах и сообщений о состоянии системы на индикаторе.

Размеры блока индикации 190х135х52 мм;

Устройства управления (УУ), которое устанавливается в помещении и предназначено для программируемого управления оповещателей (световых, звуковых), а также исполнительных механизмов.

Размеры усройства управления 305х178х75 мм;

Блока соединительного (БС), устанавливаемого в помещении, имеющего маркировку «ExiaIIB» в комплекте «Струна-М» и предназначенного для подсоединения кабелей от преобразователей ППП к блоку БВ.

Размеры блока соединительного 245х160х50.

Уровнемер «Струна-М» обеспечивает:

высокоточное дистанционное измерение уровня, температуры, плотности топлива в резервуарах АЗС;

вычисление объема и массы по градуировочным таблицам резервуаров;

возможность автоматизации учета движения нефтепродуктов на одной или нескольких АЗС при совместном использовании с системами отпуска;

автоматический контроль герметичности одностенных и двухстенных (с жидким наполнителем) резервуаров в статическом режиме с включением звуковой и световой сигнализации;

предотвращение перелива топлива при наполнении резервуаров путем подачи программируемых управляющих сигналов на отключение насосов, включение (отключение) звуковой и световой сигнализации;

самоконтроль функционирования и метрологических характеристик системы во всех режимах работы, включая контроль динамики изменения уровня во время приёма нефтепродуктов, обеспечивающий при отказе возможность отключения насосов перекачки или закрытия электромагнитных клапанов, а также подачи предупредительных сигналов о неисправности;

отображение результатов измерения и вычисления параметров на автономном индикаторе или (и) вывод информации в систему пользователя по стандартному интерфейсу RS-232C или RS-485;

метрологическую поверку без демонтажа ППП с помощью встроенных средств;

значительное сокращение времени простоя АЗС при передаче смены.

Технические характеристики:

Характеристики Ед. измерения     Параметры

Диапазон измерения уровня (без плотности)  мм     от 120 до 4000

Диапазон измерения уровня (с плотностью)   мм     от 200 до 4000

Абсолютная погрешность измерения уровня мм     ±1,0

Порог чувствительности      мм     0, 2

Температурный диапазон эксплуатации ППП         °С     от – 40 до +50

Абсолютная погрешность измерения температуры н/продукта °С     ±1,0

Диапазоны измерения плотности

– 1 диапазон (АИ-80)

– 2 диапазон (АИ-92, АИ-95, АИ-98)

– 3 диапазон (ДТ)        кг/м3

от 690 до 760

от 715 до 785

от 810 до 880

Абсолютная погрешность измерения плотности      кг/м3 ±1,5

Сигнализация наличия подтоварной воды на уровне       мм     25

Количество контролируемых резервуаров     –       до 16

Длина кабеля от каждого резервуара до операторской, не более       м       200 м

Количество выходов управления силовыми цепями на каждый резервуар – до 4

Параметры цепи управления (коммутации):

– силовые цепи

– маломощные релейные цепи (сухой контакт)

~220V; 0,5А

= 27В; 0,5А

= 12В; 1,0А

= 5В; 1,5А

Питание     –       220V+10–15%

50Гц, 0,6А

Наряду с АЗС и нефтебазами уровнемер «Струна-М» применяется и на автомобильных газозаправочных станциях (АГЗС). Кроме стандартных функций уровнемер «Струна-М» для АГЗС позволяет:

Измерение плотности СУГ в 2–3 точках погружными плотномерами на отдельном измерительном стволе с пределами допускаемой абсолютной погрешности измерений ±1 кг/м3;

Измерение давления в резервуарах СУГ, в межстенном пространстве двустенных резервуаров при газовом заполнении и др.

Уровнемеры для песка и гравия

Soliphant M

Soliphant M – датчик предельного уровня для работы с мелкозернистыми сыпучими продуктами или порошками с низкой объемной плотностью.

Разнообразные конструкции обеспечивают широкий спектр применения датчиков. Имеет пыле- и взрывозащищенное исполнение.

FTM50 компактного исполнения – монтируется в любом положении. Широкая область применения благодаря различным вариантам конструкции: короткая вилка и корпус из нерж. стали (F15); cтандартная вилка и корпус из полиэстера (F16)

FTM51 с удлинительной трубкой до 4 м для монтажа в любом положении: корпус из алюминия (Т13) с раздельным подключением клеммного блока в исполнении ЕЕх de.

FTM52 с тросом до 20 м для установки в верхней части силоса и корпусом из алюминия (F17).

Типовое применение: зерно, мука, порошковое молоко, какао-порошок, сахар, корма, стиральный порошок, порошковые красители, мел, гипс, цемент, песок, гранулированный пластик.

Преимущества:

·  Лидер на рынке в сфере определения уровня сыпучих продуктов с 1967 года

·  Не требует калибровки: простой монтаж («включай и работай»)

·  Нет движущихся механических частей: нет износа, длительный срок службы

·  Не чувствителен к внешней вибрации и налипанию продукта: не требуется обслуживания, не зависит от свойств продукта

·  Значение уровня срабатывания легко читается на дисплее в крышке датчика

·  различные электронные вставки: NAMUR, реле, тиристор и ИЧМ выходные сигналы для оптимальной адаптации в существующей АСУ предприятия

·  Новинка: короткая вилка (длина 100 мм)

·  Новинка: индикация налипания или износа

·  Новинка: настройка по плотности или запаздыванию срабатывания

Конструкция и принцип действия

Пьезоэлектрический преобразователь датчика Soliphant M FTM50, FTM51, FTM52 возбуждает колебания в камертоне. Если рабочая среда покрывает вилку, то амплитуда колебаний меняется (вибрации подавляются). Встроенный электронный блок сравнивает реальную частоту колебаний с резонансной и выдает сигнал о присутствии или отсутствии рабочей среды.


Параметр

Значение

Электронные вставки для датчика предельного уровня

FEM51: 2-х проводная версия для переменного тока; нагрузка подключается непосредственно к источнику питания через тиристор

FEM52: 3-х проводная версия для постоянного тока; нагрузка подключается отдельно через p-n-p-транзистор

FEM54: универсальная версия с релейным выходом; нагрузки подключаются через 2 двухполюсных переключателя на два направления (DPDT)

Электронные вставки для датчика уровня

FEM55: для раздельного исполнения; передача сигнала 8/16 мА по 2-х проводному кабелю

FEM57: для раздельного исполнения; передача ИЧМ сигнала; импульсы тока накладываются на напряжение питания по 2-х проводному кабелю; самопроверка переключателя без изменения значения уровня 
FEM58: для раздельного исполнения; срабатывание по отрицательному фронту 2.2…4,0 / 0,4…1,0 мА (по EN50227 (NAMUR)) по 2-х проводному кабелю

Соединительные кабели

электронные вставки: поперечное сечение не более 2,5 мм²; корпус по DIN 46228

защитное заземление корпуса: поперечное сечение не более 2,5 мм²

эквипотенциальное подключение корпуса: поперечное сечение не более 4 мм²

Кабельный разъем особенность корпуса; клеммный блок Phoenix на электронной вставке
Диапазон измерений (срабатывания)

FTM50: общая длина 200/145 мм

FTM51: общая длина 300…4000 мм

FTM52: общая длина 1000…20000 мм

диапазон измерений зависит от свойств среды, условий монтажа и общей длины вилки; диапазон срабатывания ограничен длиной вилки

Входной сигнал

пластины с покрытием => малая амплитуда колебаний

пластины без покрытия => большая амплитуда колебаний

мониторинг частоты колебаний (диагностика) – обнаружение износа или нароста продукта

Частота колебаний стандартная вилка: 140 Гц; короткая вилка: 350 Гц
Взрывозащита

FEM51, FEM52, FEM54, FEM55: 
- взрывозащита для работы во взрывоопасной газо-воздушной атмосфере: Ех d, Ex de, XP, искробезопасная цепь датчика Ex ia, IS

- взрывозащита для работы во взрывоопасной пыле-воздушной атмосфере: Dust-Ex, DIP 
FEM57, FEM58:

- взрывозащита для работы во взрывоопасной газо-воздушной атмосфере: Ex ia, IS (искробезопасная цепь питания + искробезопасная цепь датчика) 
- взрывозащита для работы во взрывоопасной пыле-воздушной атмосфере: Ex iaD, IS (искробезопасная цепь питания + искробезопасная цепь датчика)

Степень защиты

IP66/IP67 (корпус F15, F16, F17), MENA4X 
IP66/IP68 (корпус F13, T13), NEMA4X, NEMA6P

Вибростойкость DIN60068–2–27 / IEC68–2–27: удар 30g; вибрация 0,01 г.²/Гц
Температура окружающей среды -50…+70 °С (-40…+70 °С с корпусом F16)
Сопротивление термоудару максимум 120K
Агрегатное состояние -твердый продукт
Диапазон давлений рабочей среды 1…25 бар
Давление разрыва 100 бар
Размер частиц ≤10 мм

Уровнемер MAIHAKLOT369

Уровнемер MAIHAKLOT369 пригоден для измерения уровня любых типов сыпучих материалов: как мелко – так и крупнозернистых материалов, а также уровня осадка в жидкостях. Например: гранулят, цемент, шлак, древесные опилки, пепел, осадок сточных вод, пищевое сырье, кофе, пшеница и многое другое. Уровнемер MAIHAKLOT 369 позволяет вести непрерывный мониторинг бункеров, силосов и танков даже в условиях сильной запыленности. Уровнемер может устанавливаться в узкие отверстия силосных ям.

Технические характеристики:

Диапазон измерения до 70 м

Давление в бункере до 200 кПа

Температура окружающая -20…+60 °С

Температура в бункере -40…+150 °С

Сертификация АТЕХ (взрывоопасная пыль) зона 20/21

Группа исполнения:

корпус IP 65

кабельный ввод IP 66

Выходы:

счетчик (шаг 100 мм)

4…20 мА (шаг 100 мм)

4…20 мА (шаг 1…5 мм)

Статусные/контрольные сигналы 2 реле с «сухим» контактом:

работа / неисправность

счет импульсов / сброс счетчика

Соединение с бункером фланец DN80/DN100 PN10

Виды чувтвительных грузов:

пластмассовый стандартное применение (до 60 °С)

алюминевый для высоких температур (до 150 °С)

нержавеющей стали для высоких температур (до 150 °С) и агрессивных сред

паукообразный из нерж. стали для пудры и материалов образующих крутой конус при сваливании (до 100 °С)

паукообразный полиэтиленовый для пудры и материалов образующих крутой конус при сваливании (до 60 °С)

мешок хрупкие материалы, продукты (до 80 °С)

перфорированный для измерения осадка в жидкостях

Лотовый уровнемер Silopilot T FMM 50

Silopilot – это лотовая система измерения уровня. Под конкретное применение подбираются подходящие грузы, которые воспринимают поверхность продукта. В зависимости от выбранного груза можно измерить уровень как крупно-, так и мелкозернистых или пылеобразных продуктов в силосах или бункерах. Также возможно измерение уровня жидкостей в емкостях.

Особенности и преимущества

·  Измерение уровней независимо от свойств продукта

·  Высокая точность определения уровня, погрешность ±1 импульс

·  Электронный отказобезопасный режим определения минимального уровня, благодаря которому измерительный груз не выпадает в выпускное отверстие силоса и не повреждает транспортировочные системы

·  Подъемная мощность обеспечивает надежность подъема измерительного груза

·  Ручное или автоматическое управление с дистанционным запуском и индикацией делает этот прибор идеальным для автоматического управления и контроля силоса

·  Компактность конструкции, быстрый и экономичный монтаж, легкость обслуживания

Основные технические характеристики

Диапазон измерения: до 70 м
Температура: -40…230 °C
Давление: 0.8–3 бар
Сила растяжения: 500 Н
Выходы: 4…20 мА

Лотовый уровнемер Silopilot T FMM 20

Silopilot – это лотовая система измерения уровня. Под конкретное применение подбираются подходящие грузы, которые воспринимают поверхность продукта. В зависимости от выбранного груза можно измерить уровень как крупно-, так и мелкозернистых или пылеобразных продуктов в силосах или бункерах. Также возможно измерение уровня жидкостей в емкостях.

Особенности и преимущества

·  Измерение уровней независимо от свойств продукта

·  Высокая точность определения уровня, погрешность ±1 импульс

·  Электронный отказобезопасный режим определения минимального уровня, благодаря которому измерительный груз не выпадает в выпускное отверстие силоса и не повреждает транспортировочные системы

·  Подъемная мощность обеспечивает надежность подъема измерительного груза

·  Ручное или автоматическое управление с дистанционным запуском и индикацией делает этот прибор идеальным для автоматического управления и контроля силоса

·  Компактность конструкции, быстрый и экономичный монтаж, легкость обслуживания

Основные технические характеристики

Диапазон измерения: до 32 м
Температура: -20…60 °C
Давление: 0.8–1.1 бар
Сила растяжения: 150 Н
Выходы: 4…20 мА

Заключение

уровнемер жидкость сырье

И в заключении, проанализировав все приборы, о которых было сказано выше, хотелось бы выделить прибор ПМП-118-А108 для измерения уровня жидких сред. Доступная цена (8600 рублей), с учетом того, что срок службы прибора 15 лет. Диапазон температур окружающей среды, град. С        -50…+60, что является огромным плюсом, учитывая наш климат.

Уровнемер может применяться во взрывоопасных зонах.

Для измерения уровня сыпучик тел, больше подойдет Soliphant M

Стоимостью 28000 рублей. Не смотря на высокую стоимость, этот прибор включает множество достоинств. Разнообразные конструкции обеспечивают широкий спектр применения датчиков. Имеет пыле- и взрывозащищенное исполнение. Компактного исполнения – монтируется в любом положении. Широкая область применения благодаря различным вариантам конструкции.

Лидер на рынке в сфере определения уровня сыпучих продуктов с 1967 года

Не требует калибровки: простой монтаж («включай и работай»)

Нет движущихся механических частей: нет износа, длительный срок службы.

Не чувствителен к внешней вибрации и налипанию продукта: не требует обслуживания, не зависит от свойств продукта.


Список использованных источников

1. Кулаков M.В., Технологические измерения и приборы для химических производств, 3 изд., M., 1983; Шкатов E.Ф., Технологические измерения и КИП на предприятиях химической промышленности, M., 1986.

2. http://www.kipspb.ru/catalog/enhaus/pred_urov/element294994.php

3.http://www.promspravka.com/catalog/D/DL/33/2/20/5/2/120/urovnem/urlot/lot/lot_589.html? f=1


© 2012 Скачать рефераты, курсовые работы, доклады и дипломные работы.