рефераты
Главная

Рефераты по рекламе

Рефераты по философии

Рефераты по финансам

Рефераты по химии

Рефераты по цифровым устройствам

Рефераты по экологическому праву

Рефераты по экономико-математическому моделированию

Рефераты по экономической географии

Рефераты по экономической теории

Рефераты по этике

Рефераты по юриспруденции

Рефераты по языковедению

Рефераты по юридическим наукам

Рефераты по истории

Рефераты по компьютерным наукам

Рефераты по медицинским наукам

Рефераты по финансовым наукам

Рефераты по управленческим наукам

Рефераты по строительным наукам

Психология педагогика

Промышленность производство

Биология и химия

Языкознание филология

Издательское дело и полиграфия

Рефераты по краеведению и этнографии

Рефераты по религии и мифологии

Рефераты по медицине

Рефераты по сексологии

Рефераты по москвоведению

Рефераты по экологии

Краткое содержание произведений

Рефераты по физкультуре и спорту

Топики по английскому языку

Рефераты по математике

Рефераты по музыке

Остальные рефераты

Курсовая работа: Червячный двухступенчатый редуктор

Курсовая работа: Червячный двухступенчатый редуктор

Федеральное агентство по образованию и науке

Государственное образовательное учреждение высшего

профессионального образования "Санкт-Петербургский

государственный политехнический университет"

Механико-машиностроительный факультет

Кафедра "Машиноведение и детали машин"

ПРИВОД СИЛОВОЙ

Пояснительная записка к курсовому проекту

МДМ.082.00.00 ПЗ

Выполнил студент Малыхин Г.Е.

Группа 3044/1

Руководитель Иванов Б.С.

СПбГПУ

2010


Содержание

Введение

1 Энергокинематический расчет и выбор элетродвигателя

2 Расчет червячной передачи

3 Расчет зубчатой передачи

4 Техническое предложение и выбор варианта

5 Расчет ременной передачи

6 Проектировочный расчет валов и выбор подшипников

7 Проектировочный расчет валов

8 Проверочный расчет промежуточного вала

9 Проверочный расчет подшипников валов

10 Расчет соединений вал-ступица

11 Проверочный расчет муфты выходного вала

12 Тепловой расчет редуктора

13 Выбор смазочный материалов

Заключение

Литература


ВВЕДЕНИЕ

В данном курсовом проекте объектом проектирования является силовой привод.

На основании технического задания требуется разработать привод намоточного устройства. Основным узлом привода является червячно–цилиндрический двухступенчатый редуктор. Редуктор состоит из червячной (быстроходной) и косозубой зубчатой (тихоходной) передач.

Силовой привод состоит из асинхронного электродвигателя, клиноременной передачи и редуктора. Электрический двигатель установлен на салазках, а весь силовой привод на литой плите. Предварительное натяжение ремней клиноременной передачи осуществляется путем перемещения электродвигателя относительно салазок посредством винта.

Работа привода осуществляется следующим образом: вращение ротора электрического двигателя посредством ремённой передачи передаётся на быстроходный вал. Зубчатые цилиндрические колеса установлены на тихоходном и промежуточном валах, червячное колесо - на промежуточном валу, а червяк расположен на быстроходном валу. Валы установлены на подшипниках качения.

Смазка червячной передачи осуществляется окунанием и является картерной. Зубчатые передачи смазываются поливом. Смазка подшипников качения осуществляется с помощью пластичной смазки через соответствующие маслёнки.    

В данном курсовом проекте следующие критерии расчётов и виды разрушений:

1)         зубчатая передача: критерий работоспособности – контактная выносливость, вид разрушения – выкрашивание рабочих поверхностей зубьев;

2)      червячная передача: критерий работоспособности – контактная выносливость и изгибная прочность, вид разрушения – износ и заедание;

3)      цепная передача: критерий работоспособности – тяговая способность и долговечность, вид разрушения – усталостное разрушение, износ;

4)      подшипники качения: критерий работоспособности – усталостное разрушение, вид разрушения – выкрашивание тел качения;

5)      шпоночные соединения: критерий работоспособности – статическая прочность на смятие;

6)      муфта: проверяем зубья по контактной прочности, болты во фланцевом соединении на срез;

7)      проверочный расчёт промежуточного вала: усталостная прочность с учётом изгиба и кручения.

Некоторые расчеты производятся на ЭВМ, что облегчает работу над курсовым проектом и помогает выбрать оптимальный вариант для расчета. С целью выбора наиболее выгодных размеров передач и, следовательно, привода производим расчет геометрических параметров для трех вариантов и затем принимаем наиболее подходящий. Проверочные расчеты на прочность производятся вручную, расчет подшипников на динамическую грузоподъемность выполняется на ЭВМ. Чертеж и разработка привода выполняется также на ЭВМ. Это позволяет избежать ошибок при вычерчивании окончательного варианта привода.

Исходя из результатов расчетов, разрабатывается сборочный чертёж силового привода, эскизный и технический проект редуктора, спецификации на силовой привод и редуктор и пояснительная записка.


1 ЭНЕРГОКИНЕМАТИЧЕСКИЙ РАСЧЕТ И ВЫБОР ЭЛЕКТРОДВИГАТЕЛЯ

Ниже приведена кинематическая схема механизма:

Рис.1.1 Кинематическая схема

Мощность электродвигателя определяют из следующего выражения:

,

где Твых – вращающий момент на валу привода, Нм;

wвых – угловая скорость вала, которая определяется по формуле:

;


h – коэффициент полезного действия привода, определяется по формуле:

,

где hрем.п.= 0,96 – коэффициент полезного действия ременной передачи,

hч.п.= 0,8 – коэффициент полезного действия червячной передачи,

hз.п.= 0,98 – коэффициент полезного действия зубчатой передачи,

hподш.= 0,99 – коэффициент полезного действия пары подшипников качения,

hсм.= 0,98 – коэффициент полезного действия смазки,

hмуф.= 0,98 – коэффициент полезного действия муфты.

Определим мощность, развиваемую на тихоходном валу:

 Вт

Определим требуемую мощность электродвигателя:

 Вт.

Мощность электродвигателя, подбираемого для проектируемого привода должна быть не ниже, определённой требуемой мощности:

Выбираем трехфазный асинхронный двигатель серии 4А ( ГОСТ 19523-81).

Тип двигателя в данном случае: 4A80B2. Ниже приведены его характеристики:

Вт, n = 2850 об/мин.

Рис.1.2 Электродвигатель

Габаритные размеры электродвигателя:

L1 = 320мм; L2 = 375мм; Н = 218мм; D = 186мм; d1 = d2 = 22мм; l1 = 50мм; l2 = 50мм;

l3 = 100мм; b = 125мм; d = 10мм; h=120 мм.

Передаточное отношение привода определяем по формуле:

.

Произведение частных передаточных отношений передач, входящих в привод равно общему передаточному отношению:

Значения передаточных чисел изменяются в пределах:

  

Рассмотрим различные варианты передаточных отношений. Будем изменять только передаточные отношения внутри редуктора, при этом общее передаточное число самого редуктора будет оставаться неизменным во всех вариантах:

 

Вариант №1.

Возьмём значения передаточных отношений:

  

Вычислим частоты вращения:

Вычислим значения мощностей:

Вычислим вращающие моменты:


Таблица 1.1

Результаты энергокинематического расчета (Вариант№1)

вал i

Т

Н × м

n

об/мин

N

Вт

эл. двигатель клинорем. передача 2 8,2 2850 2056,5
быстроходный 18,4 1425 1954,5
червячная передача 32
промежуточный 329,4 44 1517
зубчатая передача 4,4
тихоходный 1350 10 1413,45
муфта. 1

выходной,

вал привода

1350 10 1413,45

Вариант №2.

Для поиска рациональной конструкции привода необходим анализ других вариантов разбивки i. Увеличим передаточное отношение червячной передачи и уменьшим  примерно на 25%, получив при этом такое же общее передаточное отношение равное 285:

  

Вычислим частоты вращения валов:


Вычислим вращающий момент на валах:

Таблица 1.2

Результаты энергокинематического расчета (Вариант №2)

вал i

Т

Н × м

n

об/мин

N

Вт

эл. двигатель клинорем. передача 2 8,2 2850 2056,5
быстроходный 18,4 1404 1954,5
червячная передача 39
промежуточный 402,6 36 1517
зубчатая передача 3,6
тихоходный 1350 10 1413,45
муфта. 1

выходной,

вал привода

1350 10 1413,45

Вариант №3.

Уменьшим передаточное число на червячной передаче в пользу зубчатого зацепления, выполняя условие  с целью увеличения КПД редуктора.

  

Вычислим частоты вращения:


Вычислим вращающий момент:

Таблица 1.3

Результаты энергокинематического расчета (Вариант №3)

вал i

Т

Н × м

n

об/мин

N

Вт

эл. двигатель клинорем. передача 2 8,2 2850 2056,5
быстроходный 18,4 1421 1954,5
червячная передача 35
промежуточный 357 40,6 1517
зубчатая передача 4,06
тихоходный 1350 10 1413,45
муфта. 1

выходной,

вал привода

1350 10 1413,45

2 РАСЧЕТ ЧЕРВЯЧНОЙ ПЕРЕДАЧИ

Червячные передачи рассчитываются по напряжениям изгиба и контактным напряжениям. Чаще всего в червячных передачах наблюдается износ и заедание, а не выкрашивание поверхности зубьев. Для предупреждения заедания ограничивают контактные напряжения. Интенсивность износа также зависит от значения контактных напряжений.

Интенсивность износа зависит также от значения контактных напряжений. Поэтому расчёт по контактным напряжениям для червячных передач является основным. Расчёт по напряжениям изгиба проводится при этом как проверочный.

Основное уравнение расчёта на прочность по контактным напряжениям [3,стр.181]:

где qч - удельная нагрузка;

Епр и rпр. - приведённые модуль упругости и радиус кривизны.

Расчёт на прочность по напряжениям изгиба проводится по формуле [3,стр.182]:

где KF – коэффициент расчётной нагрузки;

YF – коэффициент формы зуба.

Цель расчета: определение контактных и изгибных напряжений и основных геометрических параметров червячной передачи.


Рис. 2.1 Червячная передача

Материал для зубчатого венца червячного колеса выбираем, исходя из скорости скольжения:

Вариант №1.

Вариант №2.

Вариант №3.

Vs = 2…5 м/с - II группа – безоловянные бронзы и латуни. Возьмем Бр А9Ж4.

Закалка дает твердость 45..55НRC.


Таблица 2.1

Исходные данные для расчета на ЭВМ

№ п/п Наименование параметра Размерность Значение параметра
экран 1 (эксплуатационные параметры) 1 2 3
1 ресурс передачи t час 3000 3000 3000
2 частота вращения вала колеса nпр об/мин 44 36 40,6
3 вращающий момент на червячном колесе Тпр н × м 329,4 402,6 357
4 передача - нереверсивная
5 режим нагружения - 8
экран 2 (технологические и конструктивные параметры)
6 степень точности - 7
7 твердость поверхности витков червяка - 45…55 HRC
8 материал венца червячного колеса - Бр А9Ж4
9 способ отливки - Отливка в землю
10 передаточное число i - 32 39 35
11 межосевое расстояние аw мм произвольное
12 прогиб червяка допускаемый - 0,005 модуля

Таблица 2.2

Результаты расчета

варианты расчета
1 2 3
Число заходов червяка 1 2 1 2 1 2
Число зубьев червячного колеса 32 65 39 78 35 70
Передаточное число 32 32,5 39 39 35 35
Модуль осевой [мм] 8 4 6 3 6 3
Межосевое расстояние [мм] 160 155 144 148 132 135
Коэффициент полезного действия 0,78 0,78 0,77 0,78 0,80 0,81
Коэффициент смещения червяка 0 0 0 0 0 0
Коэффициент диаметра червяка 8 12,5 9 16 9 16
Диаметр червяка [мм]:
Делительный 64 50 54,0 50,4 54 50
Вершин 80 58 66 56,7 66 56
Впадин 44,8 40,4 39,6 42,8 39,6 40,4
Длина нарезанной части червяка [мм] 128 85 105 74 104 80
Диаметр колеса [мм]:
Делительный 256 260 234 245,7 210 220
Вершин 272 268 246 252 222 226,8
Наибольший 288 274 258 256,7 234 230
Ширина зубчатого венца колеса [мм] 60 43,5 49,5 42,5 49,5 42
Условный объем венца колеса [куб.см] 1586 630 938 492 841 440
Cилы в зацеплении [Н]:
Окружная червяка 487 600 687 727 472 697
Окружная колеса 3235 3185 4764 4537 3619 3570
Радиальная 1177 1159 1734 1651 1352 1299
Окружная скорость червяка [м/с] 4,7 3,7 2,9 2,7 4,0 3,7
Скорость скольжения [м/с] 4,8 3,8 2,9 2,7 4,0 3,8
Контактные напряжения [МПа]:
При расчете на выносливость
Расчетные 147 163 202 199 180 197
Допускаемые 181 205 228 233 199 233
При расчете на прочность
Расчетные 207 231 286 282 255 278
Допускаемые 400 400 400 400 400 400
Изгибные напряжения в зубьях колеса [МПа]:
При расчете на выносливость
Расчетные 8 16 17 29 13 19
Допускаемые 77 77 75 75 78 78
При расчете на прочность
Расчетные 16 33 34 57 26 38
Допускаемые 160 160 160 160 160 160
Прогиб червяка [мм]
Расчетный 0,007 0,014 0,014 0,013 0,007 0,007
Допускаемый 0,040 0,020 0,030 0,016 0,030 0,020

3 РАСЧЕТ ЗУБЧАТОЙ ПЕРЕДАЧИ

 

Расчет зубчатой передачи производится по контактной выносливости и по напряжениям изгиба.

Проверка зубчатой передачи на выносливость по контактным напряжениям для косозубых передач выполняется по формуле:

 ,

где KH =КНβКНVКНa – коэффициент нагрузки. Значения КНβ зависят от твердости зубьев, а КНV - от твердости и окружной скорости. Коэффициент КНa учитывает условия монтажа косозубой передачи и в зависимости от окружной скорости зубчатых колёс и степени точности изготовления.

Межосевое расстояние определяется по формуле:

 Рис. 3.1 Зубчатое зацепление

где коэффициент Ка - для косозубых передач принимается 43,0; [2, c 32]

u – передаточное число; Т2 – крутящий момент на колесе; [σН] – допускаемое контактное напряжение на поверхности зубьев колёс.

[σН]= σН lim bКНL /  ,

где σН lim b = 2НВ + 70 – для ТО – улучшение или нормализация.

КНL – коэффициент долговечности работы зубчатой пары, рассчитываемый по формуле:

,

где  - базовое число циклов нагружений, принимаемое для стали - 107;

 - фактическое рассчитываемое число циклов нагружений.

- коэффициент безопасности: принимается (1,1-1,2) при нормализации или улучшении материала колёс.

 - коэффициент ширины колеса к межосевому расстоянию, на начальном этапе проектирования принимается 0,15-0,4. [2, c 33]

После расчёта [σН 1] для шестерни и [σН2] для колеса определяется окончательно:

[σН ]= 0,45 ([σН 1] +[σН» ] ). [2, c 35]

Проверка зубчатой передачи на выносливость по напряжениям изгиба выполняется по формуле:

 ,

где Ft = 2T1 /d1 = 2T2 / d2 – окружная сила на колесе,

КF = KFβ KFv - коэффициент нагрузки,

KFβ - коэффициент, учитывающий неравномерность распределения нагрузки по длине зуба; KFv – коэффициент динамичности, который выбирается в зависимости от окружной скорости и термообработки.

Для косозубых передач коэффициент формы зуба ΥF следует принимать по эквивалентному числу зубьев ZV = Z / Cos3β, которое учитывает повышение несущей способности косозубых передач. Коэффициент Υβ компенсирует погрешности принятой расчётной схемы: Υβ =(1-β0 ) / 140, где β0 – угол наклона делительной линии зуба.

 Коэффициент KFa учитывает неравномерность распределения нагрузки между зубьями и определяется по формуле

KFa =  ,

где εа - коэффициент торцового перекрытия, n - cтепень точности.

Допускаемое напряжение изгиба рассчитывается по формуле:

[σF] = σ 0Flimb / [SF],

где, [SF] - коэффициент безопасности, а σ 0Flimb = 1,8НВ. [2, с 46]

Для изготовления колеса и шестерни возьмем Сталь 40Х, термообработка – улучшение, твердость зубьев колеса – 180НВ, а шестерни – 210НВ.

Для определения межосевого расстояния тихоходной ступени редуктора используем формулу:

 ,


где dБ – диаметр червячного колеса быстроходной ступени редуктора;

=- диаметр тихоходно вала; Т- вращающий

момент на валу, Нм; =20 МПа - допускаемые напряжения при расчете тихоходного вала на кручение;-зазор между колесом быстроходной ступени и валом тихоходной передачи.

Вариант 1:

Вариант 2:

Вариант 3:

Таблица 3.1

Исходные данные для расчета на ЭВМ

Наименование параметра Размерность параметра Варианты расчёта
1 2 3
Экран 1 (Эксплуатационные параметры)
1 Требуемый ресурс Час 3000
2 Частота вращения быстроходного вала передачи об/мин 44 36 40,6
3 Номинальный вращающий момент на быстроходном валу передачи Н*м 164,7 201,3 178,5
4 Передача - нереверсивная
5 Вариант режима нагружения - 8
Экран 2 (Технологические параметры)
6 Степень точности - 7
7 Шестерня Термообработка - улучшение
8 Материал - Сталь 40Х
9 Твёрдость поверхности зубьев HB 280
10 Заготовка - прокат
11 Колесо Термообработка - улучшение
12 Материал - Сталь 40Х
13 Твёрдость поверхности зубьев HB 250
14 Заготовка - прокат
Экран 3 (Конструктивные параметры)
15
Схема передачи
- 7
16 Передаточное число - 4,4 3,6 4,06
17 Межосевое расстояние - 174,48 165,98 152,63
18 Ряд модулей - 1
19 Угол наклона зуба град 35
20 Коэффициент смещения - Передача без смещения

Таблица 3.2

Результаты расчета. Вариант 1

напряжения при расчете на контактную при расчете на изгибную
выносливость прочность выносливость прочность
шестерня колесо шестерня колесо
расчетные 700 990 230 219 460 438
допускаемые 715 1540 278 308 1040 929

МОДУЛЬ 1.500 мм МЕЖОСЕВОЕ РАССТОЯНИЕ 174.480 мм

ЧИСЛО ЗУБЬЕВ: шестерни 27 колеса 120 ПЕРЕДАТОЧНОЕ ЧИСЛО 4.44

УГОЛ НАКЛОНА ЗУБЬЕВ [град.мин.сек.] 34 55 58

КОЭФФИЦИЕНТ СМЕЩЕНИЯ: шестерни 0.000 колеса 0.000 суммарный 0.000

ШИРИНА ЗУБЧАТОГО ВЕНЦА [мм]: шестерни 65.0 колеса 62.0

ОТНОСИТ. ШИРИНА ЗУБЧАТОГО ВЕНЦА: в долях d1 1.255 в долях aw 0.461

КОЭФФИЦИЕНТ ПЕРЕКРЫТИЯ: торцового 1.30 осевого 7.53 суммарный 8.84

CИЛЫ В ЗАЦЕПЛЕНИИ [Н]: окружная 8380 радиальная 3721 осевая 5853

ДИАМЕТР ШЕСТЕРНИ [мм]: делительный 49.401 вершин 52.40 впадин 45.65

ДИАМЕТР КОЛЕСА [мм]: делительный 219.559 вершин 222.56 впадин 215.81

УСЛОВНЫЙ ОБЪЕМ КОЛЕС 1768 куб.см ОКРУЖНАЯ СКОРОСТЬ 0.11 м/с

Таблица 3.3

Результаты расчета. Вариант 2

напряжения при расчете на контактную при расчете на изгибную
выносливость прочность выносливость прочность
шестерня колесо шестерня колесо
расчетные 733 1037 252 242 503 484
допускаемые 752 1540 292 306 1040 929

МОДУЛЬ 3.000 мм МЕЖОСЕВОЕ РАССТОЯНИЕ 165.980 мм

ЧИСЛО ЗУБЬЕВ: шестерни 30 колеса 106 ПЕРЕДАТОЧНОЕ ЧИСЛО 3.53

УГОЛ НАКЛОНА ЗУБЬЕВ [град.мин.сек.] 34 58 40

КОЭФФИЦИЕНТ СМЕЩЕНИЯ: шестерни 0.000 колеса 0.000 суммарный 0.000

ШИРИНА ЗУБЧАТОГО ВЕНЦА [мм]: шестерни 38.0 колеса 34.0

ОТНОСИТ. ШИРИНА ЗУБЧАТОГО ВЕНЦА: в долях d1 0.505 в долях aw 0.223

КОЭФФИЦИЕНТ ПЕРЕКРЫТИЯ: торцового 1.31 осевого 3.38 суммарный 4.68

CИЛЫ В ЗАЦЕПЛЕНИИ [Н]: окружная 7612 радиальная 3381 осевая 5326

ДИАМЕТР ШЕСТЕРНИ [мм]: делительный 73.226 вершин 77.23 впадин 68.23

ДИАМЕТР КОЛЕСА [мм]: делительный 258.734 вершин 262.73 впадин 253.73

УСЛОВНЫЙ ОБЪЕМ КОЛЕС 1534 куб.см ОКРУЖНАЯ СКОРОСТЬ 0.14 м/с

Таблица 3.4

Результаты расчета. Вариант 3

напряжения при расчете на контактную при расчете на изгибную
выносливость прочность выносливость прочность
шестерня колесо шестерня колесо
расчетные 665 941 182 171 364 343
допускаемые 698 1540 271 305 1040 929

МОДУЛЬ 3.000 мм МЕЖОСЕВОЕ РАССТОЯНИЕ 152.000 мм

ЧИСЛО ЗУБЬЕВ: шестерни 25 колеса 100 ПЕРЕДАТОЧНОЕ ЧИСЛО 4.00

УГОЛ НАКЛОНА ЗУБЬЕВ [град.мин.сек.] 34 40 39

КОЭФФИЦИЕНТ СМЕЩЕНИЯ: шестерни 0.000 колеса 0.000 суммарный 0.000

ШИРИНА ЗУБЧАТОГО ВЕНЦА [мм]: шестерни 44.0 колеса 40.0

ОТНОСИТ. ШИРИНА ЗУБЧАТОГО ВЕНЦА: в долях d1 0.592 в долях aw 0.237

КОЭФФИЦИЕНТ ПЕРЕКРЫТИЯ: торцового 1.30 осевого 3.26 суммарный 4.56

CИЛЫ В ЗАЦЕПЛЕНИИ [Н]: окружная 6340 радиальная 2825 осевая 4476

ДИАМЕТР ШЕСТЕРНИ [мм]: делительный 60.800 вершин 64.80 впадин 55.80

ДИАМЕТР КОЛЕСА [мм]: делительный 243.200 вершин 247.20 впадин 238.20

УСЛОВНЫЙ ОБЪЕМ КОЛЕС 1287 куб.см ОКРУЖНАЯ СКОРОСТЬ 0.13 м/с


4 ТЕХНИЧЕСКОЕ ПРЕДЛОЖЕНИЕ И ВЫБОР ВАРИАНТА

Сравним варианты расчета передач по основным критериям.

Таблица 4.1

Сравнительная оценка передач редуктора по вариантам

Критерии  Номер варианта расчета
1 2 3
Выполнение условий прочности выполняются выполняются выполняются

Габаритные размеры передач редуктора,LхBхH,

мм

389х166,5х261 369,5х174,5х308,7 402х192х340
Условный объем зубчатых колес, см3 2306 1687 1287
Условный объем венца червячного колеса, см3 630 492 440
КПД привода 0,78 0,78 0,81
Смазываемость
Перегрев* Есть (80,2˚С) Нет (74,4˚С) Нет (59˚С)

* Условие работы редуктора без перегрева:

где - мощность быстроходного вала, Вт;- КПД привода; А=2LB+2ВН+2LH–площадь теплоотдающей поверхности корпуса редуктора,м2;- коэффициент теплоотдачи,17 .

 По полученным данным построи соответствующие эскизы:


Вариант 1: Вариант 2:

Вариант 3:

 

вал подшипник передача муфта

Сравнив полученные варианты, выберем третий вариант, так как он имеет наилучшие конструктивные параметры и лучший КПД червячной передачи.

5 РАСЧЕТ РЕМЕННОЙ ПЕРЕДАЧИ

 

Основными критериями работоспособности ременных передач являются тяговая способность, определяемая силой трения между ремнем и шкивом, долговечность ремня, которая в условиях нормальной эксплуатации ограничивается разрушением ремня от усталости.

В настоящее время основным расчетом ременных передач является расчет по тяговой способности. Долговечность ремня учитывают при расчете путем выбора основных параметров передачи в соответствии с Рис.5.1Схема ременной передачи рекомендациями, выработанными практикой.

Методика расчета клиноременной передачи:

1)         Сечение ремня выбирается в зависимости от передаваемой мощности и частоты вращения шкива по номограмме.

2)         Диаметр меньшего шкива:

3)         Диаметр большего шкива:  коэффициент скольжения;

4)         Передаточное отношение (уточненное):

5)         Межосевое расстояние:  

6)         Длина ремня:

7)         Уточненное межосевое расстояние:

8)         Угол обхвата:

9)         Число ремней:

10)       Натяжение ветви ремня:

11)       Сила, действующая на вал:

12)       Полезные напряжения в ремне: расчетные:

допускаемые:

13)       Рабочий ресурс передачи:

В современном машиностроении наибольшее распространение имеют клиновые ремни. Применение плоских ремней старой конструкции значительно сократилось. Применение клинового ремня позволило увеличить тяговую способность передачи путем повышения трения. [2, c 314]

Таблица 4.1

Исходные данные для расчета на ЭВМ

Наименование параметра
Размерность
Значение параметра
Частота вращения быстроходного вала
об/мин
2850
Ресурс передачи час 3000
Вращающий момент на быстроходном валу Н*м 8,2
Передача - нереверсивная
Режим нагружения - 8
Регулировка натяжения ремней - Периодическая
Передаточное отношение - 2
Межосевое расстояние мм 350

Результаты расчета

Проведем расчет для двух типов ремней (нормальный клиновый и узкий клиновый) и определим наиболее подходящий.

Нормальный клиновый ремень:

ЧАСТОТА ВРАЩЕНИЯ б.ход.вала 2850.0 об./мин. РЕСУРС ПЕРЕДАЧИ 3000 ч

ВРАЩАЮЩИЙ МОМЕНТ на б.ход.валу 8.2 Н*м ПЕРЕДАЧА нереверсивная

РЕЖИМ НАГРУЖЕНИЯ типовая циклограмма нагружения N 8 КОЭФФ.ПЕРЕГР.2.00

ТИПОРАЗМЕР СЕЧЕНИЯ ремней 0 РАСЧЕТНАЯ ДЛИНА 1000 мм

КОЛИЧЕСТВО РЕМНЕЙ в комплекте (или ребер поликлинового ремня) 4

РЕГУЛИРОВКА НАТЯЖЕНИЯ РЕМНЕЙ периодическая

РЕСУРС комплекта ремней 1000 ч МАССА комплекта ремней 0.24 кг

КОЛИЧЕСТВО КОМПЛЕКТОВ ремней на весь срок службы передачи 3

ПЕРЕДАТОЧНОЕ ОТНОШЕНИЕ 2.00 МЕЖОСЕВОЕ РАССТОЯНИЕ 332 (+ 18/- 7 ) мм

РАСЧЕТНЫЕ ДИАМЕТРЫ шкивов [мм]: меньшего 71 большего 140

ШИРИНА шкивов 52 мм УСЛОВНЫЙ ОБЪЕМ шкивов 1006 куб.см

СИЛА, действующая на валы [Н]: в покое 559 при работе передачи 523

СИЛА предварительного натяжения комплекта ремней 281 Н

ПОЛЕЗНЫЕ НАПРЯЖЕНИЯ В РЕМНЕ [МПа]: расчетные 1.57 допускаемые 1.66

Узкий клиновый ремень:

ЧАСТОТА ВРАЩЕНИЯ б.ход.вала 2850.0 об./мин. РЕСУРС ПЕРЕДАЧИ 3000 ч

ВРАЩАЮЩИЙ МОМЕНТ на б.ход.валу 8.2 Н*м ПЕРЕДАЧА нереверсивная

РЕЖИМ НАГРУЖЕНИЯ типовая циклограмма нагружения N 8 КОЭФФ.ПЕРЕГР.2.00

ТИПОРАЗМЕР СЕЧЕНИЯ ремней У0 РАСЧЕТНАЯ ДЛИНА 1000 мм

КОЛИЧЕСТВО РЕМНЕЙ в комплекте (или ребер поликлинового ремня) 2

РЕГУЛИРОВКА НАТЯЖЕНИЯ РЕМНЕЙ периодическая

РЕСУРС комплекта ремней 1000 ч МАССА комплекта ремней 0.14 кг

КОЛИЧЕСТВО КОМПЛЕКТОВ ремней на весь срок службы передачи 3

ПЕРЕДАТОЧНОЕ ОТНОШЕНИЕ 2.00 МЕЖОСЕВОЕ РАССТОЯНИЕ 332 (+ 18/- 7 ) мм

РАСЧЕТНЫЕ ДИАМЕТРЫ шкивов [мм]: меньшего 71 большего 140

ШИРИНА шкивов 28 мм УСЛОВНЫЙ ОБЪЕМ шкивов 542 куб.см

СИЛА, действующая на валы [Н]: в покое 544 при работе передачи 523

СИЛА предварительного натяжения комплекта ремней 273 Н

ПОЛЕЗНЫЕ НАПРЯЖЕНИЯ В РЕМНЕ [МПа]: расчетные 2.50 допускаемые 2.99

Из расчетов видно, что узкий клиновый ремень имеет лучшие характеристики, следовательно, его и следует использовать в дальнейшем.

6 ПРОЕКТИРОВОЧНЫЙ РАСЧЕТ ВАЛОВ И ВЫБОР ПОДШИПНИКОВ

Задачей данного раздела является предварительное определение диаметров валов редуктора. Допускается, что валы гладкие, круглые стержни, испытывающие только статическое кручение. Критерием при расчёте является статическая прочность.

Рис. 6.1 Эпюра крутящего момента на валу

Запишем условие прочности:

Принимаем следующие допускаемые значения напряжений:

для промежуточного вала 2=15….20 Н/мм2; для тихоходного вала 3=20….30 Н/мм2.


 где Т – крутящий момент, Н×мм; Wк – момент сопротивлению кручению, мм3.

 

где dв – диаметр вала, мм.

Проведя преобразования над формулами, получим:

Определим диаметры валов:

Для быстроходного вала диаметр принимаем по диаметру вала электродвигателя dэл=22 мм: dБ =(0.8…1.1) dэл .

Промежуточный вал (Т2=357 Н×м):

Тихоходный вал (Т3=1350 Н×м):

Диаметр вала под муфту выберем, исходя из номинального крутящего момента:

.

По ГОСТ Р 50895-96 для Тмуф = 2500 Нм d = 60мм.

Окончательно выбираем из стандартного ряда диаметры валов под подшипники: быстроходный вал - dв1=35мм; промежуточный - dв2=40 мм; тихоходный - dв3=65 мм.

Теперь, исходя из значений диаметров валов, подберем подшипники. Для быстроходного вала: роликоподшипники конические однорядные (по ГОСТ 333-79) – 7307 и радиальный однорядный шарикоподшипник (по ГОСТ 8338-75) - 307; для промежуточного - радиально-упорные однорядные шарикоподшипники (по ГОСТ 831-75) - 46308. Для тихоходного вала - радиальные однорядные шарикоподшипники (по ГОСТ 8338-75) легкой серии - 213.

 

7 ПРОЕКТИРОВОЧНЫЙ РАСЧЕТ ВАЛОВ

БЫСТРОХОДНЫЙ ВАЛ

Рис. 7.1 Схема сил быстроходного вала

Известные из расчета червячной передачи силы, действующие на червяк:

Окружная сила: Pt1 = 697H; Радиальная сила: Pr1 = 1299H; Осевая сила ( равна окружной силе колеса): Pa1 = 3570Н.

Реакции на шкиве равны:

где S – сила предварительного натяжения ремней.

Рис. 7.2 Определение реакций на шкиве

Реакции опор определим из условий равновесия вала:

Следовательно:

Н;


Н;

Н;

Н.

Проверка:

;

.

Суммарные реакции:

Н;

Н.

ПРОМЕЖУТОЧНЫЙ ВАЛ

Рис. 7.4 Схема сил промежуточного вала


 Известные из расчета червячной передачи силы, действующие на червячное колесо:

Окружная сила: Pt2 = 3570H; Радиальная сила: Pr2 = 1299H; Осевая сила ( равна окружной силе червяка): Pa2 = 697Н.

Из расчета зубчатой передачи:

Окружная сила: P``t3 = P`t3 = 6340 H;

Радиальная сила: P``r3 = P`r3 = 2825H;

Осевая сила: P``a3 = P`a3 = 4476Н.

Реакции опор определим из условий равновесия вала:

Следовательно:

Проверка:

;

.

Суммарные реакции:

Н;

Н.

ТИХОХОДНЫЙ ВАЛ

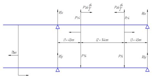
Рис. 7.5 Схема сил тихоходного вала

Из расчета зубчатой передачи:

Окружная сила: P``t4 = P`t4 = 6340H; Радиальная сила: P``r4 = P`r4 = 2825H; Осевая сила: P``a4 = P`a4 = 4476Н.

Реакции опор определим из условий равновесия вала:

Следовательно:

Проверка:

;

.

Суммарные реакции:


Н;

Н.

 

8 ПРОВЕРОЧНЫЙ РАСЧЕТ ПРОМЕЖУТОЧНОГО ВАЛА

Задачей данного раздела является определение фактического коэффициента запаса в опасных сечениях вала и выбрать материал вала или его размеры. Критерием при расчётах является усталостная прочность с учётом изгиба и кручения.

Условие прочности можно записать:

где S - фактический коэффициент запаса; [S]= 2,5 - допускаемый коэффициент запаса.

Так как вал подвергается изгибу и кручению фактический коэффициент запаса определяется по формуле:

где Sσ - коэффициент запаса прочности по нормальным напряжениям;

Sτ - коэффициент запаса прочности по касательным напряжениям.

Коэффициенты запаса прочности Sσ и Sτ можно определить по формулам:


где σ-1 и τ-1 - пределы выносливости стали при симметричном цикле изгиба и кручения;

kσ и kτ - эффективный коэффициент концентрации нормальных и касательных напряжении;

εσ и ετ - масштабный коэффициент касательных и нормальных напряжений;

σа и τа – амплитуда цикла нормальных и касательных напряжений;

σm и τm – среднее напряжение цикла нормальных и касательных напряжений;

для углеродистых сталей, имеющих σB = 650 – 750 МПа; принимают для легированных сталей для упомянутых выше сталей

Выбираем в качестве материала вала:

Легированная сталь 40Х улучшенная (dвала до 120 мм), тогда σB = 930 МПа;

Определим σ-1 и τ-1:

Будем производить расчет для каждого из предположительно опасного сечения. Примем, что нормальные напряжения от изгиба изменяются по симметричному циклу, а касательные от кручения - по отнулевому (пульсирующему).

Осевой момент сопротивления (изгибу):


Полярный момент сопротивления (кручению):

Амплитуда и среднее напряжение цикла касательных напряжений:

Амплитуда нормальных напряжений:

Построим эпюры моментов для промежуточного вала. Для этого необходимо разбить вал на 3 участка и определить на каждом момент в двух плоскостях, а затем найти суммарный момент.

Рис. 8.1 Расчетная схема промежуточного вала


Крутящий момент Mх

Нмм

Нмм;

Нмм.

Нмм;

Изгибающий момент MY

Нмм;

Нмм.

Нмм;

Нмм.

Нмм;

Суммарный изгибающий момент:

;

Нмм;

Нмм;

Нмм;

Нмм;

Нмм;

0Нмм;

Нмм.


Рис. 8.2 Эпюры изгибающего, крутящего и суммарного моментов

Расчет проведем в двух наиболее опасных сечениях, т. е. в тех сечениях, где суммарный момент наибольший. Первое сечение – МΣ = 695626 Нм, второе - МΣ = 523740 Нм.

Целью расчета является определение коэффициента запаса прочности для проверки прочности вала. Величина запаса прочности вала в опасном сечении должна превышать нормативное значение запаса прочности, иначе произойдет усталостная поломка вала.

Условие прочности имеет вид: S>[S],

где [S] – допускаемый коэффициент запаса прочности, [S]=2,5.

Коэффициент запаса прочности S определяется по формуле:

,

где  - коэффициент запаса прочности по нормальным напряжениям;  - коэффициент запаса прочности по касательным напряжениям.

,

где  - предел выносливости, для углеродистых конструкционных сталей вычисляется по формуле, возьмем Сталь 45:  ;  - эффективный коэффициент концентрации нормальных напряжений(для =1.75 [2, c 165 ]); - масштабный фактор для нормальных напряжений (=0,82 (0,835) для вала Ø 50 (45) мм [2, c 166]);  - амплитуда цикла нормальных напряжений, равная наибольшему напряжению изгиба в рассматриваемом сечении

 - среднее напряжение цикла нормальных напряжений,

первое сечение:;

второе сечение:

 - коэффициент чувствительности материала к асимметрии цикла, для углеродистых сталей .

,

где  - предел выносливости стали при симметричном цикле кручения, для конструкционных сталей  ;  - эффективный коэффициент концентрации касательных напряжений (для [2, c 165]);  - масштабный фактор для касательных напряжений ( (0,715)для вала Ø 50 (45)мм [2, c 166]);  - амплитуда цикла касательных напряжений, равная наибольшему напряжению изгиба в рассматриваемом сечении ; - среднее напряжение цикла касательных напряжений;  - коэффициент чувствительности к асимметрии цикла для касательных напряжений, принимаем равным 0,1.

Рассмотрим первое сечение – МΣ = 695626Нм.

Момент сопротивления изгибу опасного сечения вала:


Амплитуда нормальных напряжений изгиба в опасном сечении:


Коэффициент запаса прочности по нормальным напряжениям:


Полярный момент сопротивления опасного сечения вала:


Амплитуда и среднее напряжение цикла касательных напряжений:


Коэффициент запаса прочности по касательным напряжениям:


Результирующий коэффициент запаса прочности для опасного сечения:


S = 6,6> [S] = 2.5, следовательно, условие прочности выполняется.

Рассмотрим второе сечение - МΣ = 523740 Нм.

Момент сопротивления изгибу опасного сечения вала:

                                                  

Амплитуда нормальных напряжений изгиба в опасном сечении:


Коэффициент запаса прочности по нормальным напряжениям:


Полярный момент сопротивления опасного сечения вала:


Амплитуда и среднее напряжение цикла касательных напряжений:


Коэффициент запаса прочности по касательным напряжениям:


Результирующий коэффициент запаса прочности для опасного сечения:


S = 3,6> [S] = 2.5, следовательно, условие прочности выполняется.

9 ПРОВЕРОЧНЫЙ РАСЧЕТ ПОДШИПНИКОВ ВАЛОВ

Основными причинами утраты работоспособности подшипников являются усталостное выкрашивание рабочих поверхностей тел качения или беговых дорожек колец, их абразивный износ, разрушение сепараторов, расклинивание колец и тел качения, образование недопустимых пластических деформаций на беговых дорожках.

В данном курсовом проекте рассматривается как основной вид разрушения – выкрашивание тел качения. Признаками начала процесса усталостного разрушения (выкрашивания) деталей подшипника являются повышение шумности, потеря точности вращения вала, возникновение вибрации. Целью расчета является долговечность подшипников.

Под динамической грузоподъёмностью С радиально-упорных подшипников понимают постоянную нагрузку, которую группа идентичных подшипников может выдержать в течении расчётного срока службы

где Lh – ресурс подшипника; n – частота вращения данного из колец подшипника; С – динамическая грузоподъёмность; m – показатель кривой выносливости, для шариковых m=3 и для роликовых m=10/3.

Ресурс подшипника :

где Rп – приведённая нагрузка на подшипник.

Приведённая нагрузка для радиально-упорных подшипников рассчитывается по следующей формуле :

где X и Y – коэффициенты радиальной и осевой нагрузок; Rr и Ra – радиальная и осевая нагрузки подшипника; V – коэффициент вращения; Кs - коэффициент безопасности; Kт – температурный коэффициент.

где Ra – полная осевая нагрузка; SA и SB – внутренние осевые силы; А – внешняя осевая нагрузка.

Под статической грузоподъёмностью Со радиально-упорных подшипников понимают такую радиальную нагрузку, которой соответствует общая остаточная деформация тел качения.

Значение Со указываются в каталогах.

При выборе подшипника должно выполняться условие :

где Ро – приведённая статическая нагрузка.

При совместном действии на подшипник радиальной Rr и осевой Ra нагрузок приведённая нагрузка определяется как большая из расчётов последующим формулам :

7

Рис. 9.1 Схема действия сил

,

где Xo и Yo – коэффициенты радиальной и осевой статических нагрузок.

Таблица 9.1

Исходные данные для расчета на ЭВМ

Эксплуатационные параметры
Требуемый ресурс (час.) 3000
Режим нагружения

типовая циклограмма нагружения

кафедры "Детали машин" СПбГТУ №8

Конструктивные параметры подшипниковых опор
Валы Б П Т
Частота вращения вала (об./мин.) 1421 40,6 10
Относительно нагрузки вращается Внутреннее кольцо подшипника
Коэффициент безопасности 1.30
Температурный коэффициент 1.00
Валы Б П Т
Внешняя осевая сила 3570 697 0
Радиальные нагрузки 687 8618 6946
1321 8082 6324
Подшипники в опорах 1 и 2 разные одинаковые одинаковые

Результаты расчета

Быстроходный вал

Рис. 9.2 Схема нагружения опор быстроходного вала

Опора                  1 2

Подшипник                            7307 307

Радиальная реакция, Н                   687 1321

Максимальная осевая реакция, Н 7140 0

Статическая грузоподъемность, Н 76000 18000

Эквивалентная статическая нагрузка, Н 16154 2642

Ресурс при вероятности безотказной работы 0.9, ч 6540 100000

Вероятность безотказной работы при заданном ресурсе 0.968 0.999

Промежуточный вал

Рис. 9.3 Схема нагружения опор промежуточного вала

Опора

Подшипник 46308 46308

Радиальная реакция, Н 8082 8618

Максимальная осевая реакция, Н 10992 12444

Статическая грузоподъемность, Н 30100 30100

Эквивалентная статическая нагрузка, Н 16164 17236

Ресурс при вероятности безотказной работы 0.9, ч 50200 37200

Вероятность безотказной работы при заданном ресурсе 0.998 0.998

Тихоходный вал

Рис. 9.4 Схема нагружения опор тихоходного вала

Опора 1 2

Подшипник 213 213

Радиальная реакция, Н 6946 6324

Максимальная осевая реакция, Н 0 0

Статическая грузоподъемность, Н 34000 34000

Эквивалентная статическая нагрузка, Н 13892 12648

Ресурс при вероятности безотказной работы 0.9, ч 100000 100000

Вероятность безотказной работы при заданном ресурсе 0.999 0.999

Расчеты показывают, что все подшипники удовлетворяют условию долговечности, т.е. расчетный ресурс работы превышает требуемый.

 

10 РАСЧЕТ СОЕДИНЕНИЙ ВАЛ-СТУПИЦА

Целью расчета являются конструктивные размеры шпоночного соединения. Величина расчетных напряжений смятия на рабочих поверхностях шпонок при передаче вращающего момента не должна превышать допускаемых значений, иначе произойдет смятие рабочих поверхностей шпонок. Также касательное напряжение среза не должно превышать допускаемых значений.


Рис. 10.1 Схема шпоночного соединения

Выбираем следующие призматические шпонки:

1)   шпонка на быстроходном валу под шкив:

Шпонка 8х7х25 ГОСТ 23360-78;

2)   шпонка на промежуточном валу под червячное колесо и шестерни:

Шпонка 20х12х80 ГОСТ 23360-78;

3)   2 шпонки на тихоходном валу под зубчатые колеса и 1 шпонка под муфту:

Шпонка 20х12х50 ГОСТ 23360-78;

Материал шпонок Сталь 45.

Напряжение смятия должно удовлетворять условию:

,

где допускаемые напряжения смятия [sсм]=120 МПа, dв- диаметр вала, Т – передаваемый крутящий момент.


1)                                   


2)            


3)            

Проверка на срез проводится по условию:

Допустимое напряжение среза

1) ;

2) МПа;

3) МПа.

Все шпонки удовлетворяют условиям прочности на смятие и срез.

 

11 ПРОВЕРОЧНЫЙ РАСЧЕТ МУФТЫ ВЫХОДНОГО ВАЛА

Задачей данного раздела является выбор муфты и проверка её на прочность.

Если при соединении входного вала редуктора с валом двигателя можно конструктивно обеспечить все уровни установочной регулировки, причем жестко и стационарно, то при соединении выходного вала редуктора с входным валом транспортера обеспечить быструю и точную регулировку невозможно, так как редуктор и транспортер имеют разные основания. Из-за этого очень трудно и нерационально обеспечивать точную соосность и параллельность валов. Исходя из этого, необходимо применить муфту, которая смогла бы компенсировать эти недостатки.

Из предложенных стандартных муфт выбрана зубчатая муфта по ГОСТ 50006-83, которая обладает достаточной жесткостью, высокой нагрузочной способностью, способностью компенсации относительно небольших смещений осей валов. К достоинствам также можно отнести технологичность - использование для нарезки зубьев стандартного зуборезного инструмента.

Один из вариантов исполнения зубчатой муфты – двухвенечная зубчатая муфта. Она состоит из двух втулок с внешними зубьями и соединенных болтами двух обойм с внутренними зубьями. Обоймы соединены с помощью болтов посаженных в отверстия без зазора. Большое число одновременно работающих зубьев эвольвентного профиля обеспечивает компактность и высокую нагрузочную способность муфты. При вращении валов в случае их перекоса происходит циклическое смещение зубьев втулок относительно обойм. Это смещение вызывает изнашивание зубьев - основную причину их повреждения. Для снижения потерь на трение и увеличения долговечности зубьев зубчатого зацепления предусматривают его работу в масляной ванне, используются масла повышенной вязкости.

Типоразмер муфты определяется исходя из Трасч = 1,4*Твых= 1,4*1350=1750 Н×м.

После определения типоразмера, исходя из значения момента на выходном валу редуктора Тт, производится выбор основных параметров зубчатого зацепления и геометрии муфты. Затем находится диаметр расположения болтов:

и сила, действующая на каждый болт:


где: D1 и D - диаметры фланцев, зависящие от типоразмера муфты, мм;

z - число болтов

Тр.рас = К*Т3 = 1,2Тт, К = Кδ*Кσ = 1* 1,2 = 1,2.

Кδ =1,0. . . 1,5 - коэффициент безопасности (характер последствий при выходе из строя)

Кσ= 1 ,0 ... 2,0 - коэффициент динамичности (характер нагрузки).

Определяются диаметры болтов, установленных без зазора:

,

где [τ] - допускаемое касательное напряжение, МПа.

С целью предупреждения недопустимой интенсивности изнашивания предусматривают снижение уровня напряжений смятия, величину которого устанавливают расчетом.

,

где:

zm - число зубьев;

bm - ширина зуба, мм;

h = 1.2 mm - рабочая высота зуба, мм;

dm - диаметр делительной окружности зубчатого колеса, мм;

Kh - коэффициент неравномерности распределения нагрузки;

[σсм] - допускаемое напряжение смятия, МПа, зависящее от вида термообработки;

[σсм] =5.. 7 МПа закалка до 40-45 НRС

[σсм] - 12 МПа термохимическая обработка до 55-60 ИКС

тт - модуль, мм.

В соответствии с минимальным диаметром выходного вала редуктора d =60 мм и действующим на нем моментом Трасч =1750 Н×м Нм, выбираем муфту по ГОСТ 50006 - 83, способную передавать вращающие моменты до 3150 Н.

Т,

Н×м

d,мм D,мм D1, мм D2, мм bm, мм zm, мм mm,мм z
До3150 60 220 150 90 20 40 3 6

Рис. 11.1 Зубчатая муфта

Характеристики:

Сила:

.

Класс прочности болтов 6,6 из стали 35Х, для которых σВ = 600 МПа,

σТ =0,6600 = 360 МПа, а [τ] = 0.3360 = 108 МПа.

Диаметры болтов равны:

.

Конструктивно принимаем болт с резьбой М12. Для муфт с жесткими обоймами Kh -1,1 , [σсм]=10..12 МПа термохимическая обработка до 55 - 60 НRС.

Осуществим проверку работоспособности зубьев муфты по напряжениям смятия:

МПа < [σсм]

Условие прочности на смятие выполняется.

Проверочный расчет болтов

Рис. 11.2 Расчетная схема болтового соединения

Расчет болта, нагруженного поперечной силой Fr при установке его с зазором. Для обеспечения неподвижности фланцев 1 и 2 болт затягивают силой затяжки F3.

6 болтов d =12 мм уставлены с зазором. Момент на муфте:

Трасч = 1,4*Твых= 1,4*1350=1750*103Н×мм.

Рассчитаем болты на статическую прочность:

сдвигающая сила,

z - число болтов;

d - диаметр болта с зазором;

[τ] = 40МПа - допускаемое касательное напряжение.

, усилие затяжки:

.

, где [S] – 1,5 – коэффициент запаса

Возьмем класс прочности болтов 5,8:

σт = 400 МПа

[σ] = 267 МПа

.

Условие прочности выполняется.

12 ТЕПЛОВОЙ РАСЧЕТ РЕДУКТОРА

Задачей данного раздела является определение рабочей температуры редуктора.

Необходимо проверить условие:

 где Dt – фактический перепад температур, °С; [Dt] – допускаемый перепад температур, °С.

Из уравнения теплового баланса получаем:

где tш – температура масла, °С; tв – температура окружающего воздуха, °С; N1 – подводимая мощность, равная 1954,5 Вт; hред – КПД редуктора, hред=0,82;

Kt=15-17 – коэффициент теплоотдачи; Ар – площадь теплоотдающей поверхности корпуса редуктора, м2.

Определим площадь поверхности Ар:

Ар= 2LB+2ВН+2LH =2×0,340×0,500+2×0,500×0,400+2×0,340×0,400=0,93 м2,

где L – длина редуктора,500 мм;B – ширина редуктора,340 мм; H – высота редуктора,400 мм.

Вычислим Dt:

Dt<[Dt]=60°C, следовательно, условие выполняется, редуктор работает без перегрева.

13 ВЫБОР СМАЗОЧНЫХ МАТЕРИАЛОВ

Смазывание зубчатых, червячных передач и подшипников уменьшает потери на трение, предотвращает повышенный износ и нагрев деталей, а также предохраняет детали от коррозии. Снижение потерь на трение обеспечивает повышение КПД редуктора.

По способу подвода смазочного материала и зацеплению различают картерное и циркуляционное смазывание.

Зубчатые колёса смазывают окунанием, погружая их в масло. Заливка масла производится через смотровую крышку, а слив – через сливную пробку. Для контроля уровня масла используется жезловый маслоуказатель.

Для смазывания подшипниковых узлов применяется пластичный смазочный материал. Для защиты подшипниковых узлов от вымывания пластичной смазки жидкой, используются мазеудерживающие кольца. В качестве уплотнений на валы предусмотрены манжеты резиновые армированные.

Скорость скольжения у червячной передачи: 3,8 м/с.

Контактные напряжения у червячной передачи 326 МПа.

Для червячной передачи кинематическая вязкость .

Окружная скорость у зубчатой передачи 0,18 м/с.

Контактные напряжения у зубчатой передачи 954 МПа.

Для зубчатой передачи кинематическая вязкость .

Для смазывания передач червячно-цилиндрического редуктора выбираем марку масла И-50А (кинематическая вязкость ) [2, cтр.253].

Для смазки подшипников будем использовать пластичный смазочный материал ПСМ Литол-24.


ЗАКЛЮЧЕНИЕ

На основании технического задания был разработан силовой привод намоточного устройства.

Конструкция привода включает асинхронный электродвигатель 4А90L2, клиноременную передачу с натяжным устройством, горизонтальный цилиндрический двухступенчатый редуктор и литую плиту. Конструктивной особенностью спроектированного редуктора является раздвоение потока мощности на тихоходной ступени, при симметричном расположении колес относительно опор, что улучшает условия работы зубчатых передач и разгружает подшипники от действия осевых нагрузок. Для выравнивания потоков мощности и обеспечения самоустановки колес тихоходный вал установлен в «плавающих» опорах. С целью получения наиболее рациональной компоновки проектируемого редуктора энерго-кинематический расчет привода, а также расчеты зубчатых передач проводились для нескольких вариантов разбивки общего передаточного отношения. Выбранный в качестве базового вариант обеспечивает наряду с минимальной металлоемкостью наименьшие габаритные размеры редуктора, необходимую плавность работы.

В процессе проектирования диаметры ступеней валов редуктора определялись по результатам проектных расчетов с последующей конструкторской проработкой. Проверочный расчет промежуточного вала показал, что условие циклической прочности выполняется. Для соединения валов с колесами и полумуфтами использованы стандартные призматические шпонки, проверочные расчеты которых подтвердили их работоспособность.

Подшипники качения выбирались в соответствие с посадочными диаметрами валов в зависимости от типа и «быстроходности» зубчатых передач. В конструкции «плавающих» опор были использованы радиальные шарикоподшипники. Результаты проверочных расчетов показали, что выбранные подшипники обладают достаточным ресурсом.

Редуктор имеет литой разъемный корпус, верхняя и нижняя части которого соединяются посредством болтов.

Силовой привод монтируется на литой плите, крепящейся к бетонному основанию болтами. Предварительное натяжение ремней клиноременной передачи осуществляется путем перемещения электродвигателя относительно салазок посредством винта.

Смазывание зубчатых передач и подшипниковых узлов осуществляется раздельно. Для смазки зубчатых передач применяются смазочные шестерни. Уровень масла контролируется маслоуказателем. Для залива масла и осмотра зубчатых передач в крышке корпуса предусмотрен смотровой люк. Слив отработанного масла осуществляется через маслосливное отверстие в картере, закрытое резьбовой пробкой. Подшипники качения смазываются пластичной смазкой, набивка которой осуществляется при помощи пресс-масленок. В целях предохранения пластичной смазки от вымывания подшипники внутри корпуса защищены мазеудерживающими кольцами.


ЛИТЕРАТУРА

1.   Дунаев П. Ф., Леликов О.П. Конструирование узлов и деталей машин. М.: Высшая школа, 1985.

2.   Чернавский С.А. Курсовое проектирование деталей машин . М.: Машиностроение , 1988.


© 2012 Скачать рефераты, курсовые работы, доклады и дипломные работы.